- 商品描述
- 商品询价热度
Atlas阿特拉斯LSB38倒角工具

阿特拉斯LSB38倒角工具优势特点
内置主轴锁
八棱硬质合金刀片
人体工学支撑手柄
弧形边缘避免崩角
杆避免意外启动
后端排气避免操作员吸入
硬质合金刀片使用寿命长
马达功率强大并配备调速器
紧凑的设计确保舒适、可控的操作
一次性更换导向轴承和硬质合金刀片
铣头采用特种合金制造,实现功率重量比
型号 | ID | 空转速度下的空气消耗量 | 输出时的空气消耗量 | 进气口螺纹 BSP | 进气口螺纹 NPT | 经过 EAC 认证 | EC 标准 | 高度 | 免润滑 | 倒角宽度 | 随导板变化的高度 | 输出 | 半径 | 工作压力 | 推荐的软管尺寸 | 声功率 | 声压 | 声音标准 | 声音不确定度 | 含支撑手柄 | 震动标准 | 振动不确定度 | 震动值 | WEEE | 重量 | EU 指令 | 空转转速 |
|---|---|---|---|---|---|---|---|---|---|---|---|---|---|---|---|---|---|---|---|---|---|---|---|---|---|---|---|
| LSB38-S085 | 8423013130 | 15.0 l/s | 28.0 l/s | 3/8 inch | 3/8 inch | Yes | ISO11148-3 | 130 mm | Yes | 8 mm | 111 mm | 1.30 kW | 4 mm | 90 psig | 13 mm | 101 dB(A) | 90 dB(A) | ISO15744 | 3 dB(A) | Yes | ISO20643 | 1.3 m/s² | 4.5 m/s² | 0 | 5.5 lb | 2006/42/EC | 8500 r/min |

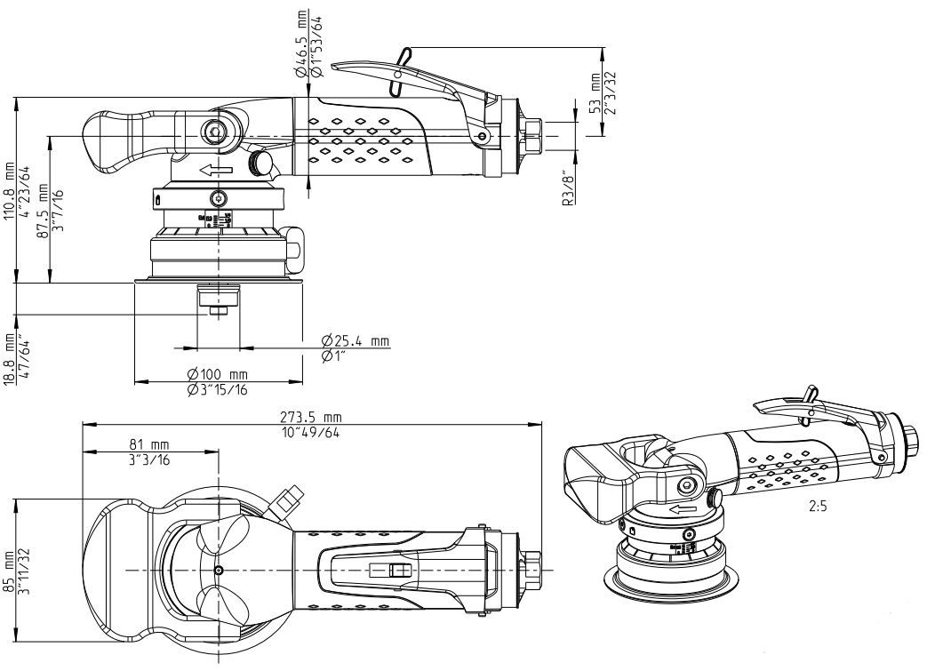
Atlas阿特拉斯LSB38倒角工具结构图


线上咨询

